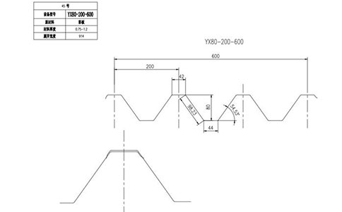
YX80-200-600開口樓承板
產品簡介:YX80-200-600開口樓承板,也叫壓型鋼板、鋼承板、鋼樓承板,是采用鍍鋅鋼板經輥壓冷彎成型,其截面成V型、U型、梯形或類似這幾種形狀的波形,主要用作永久性模板,也可被選為其他用途。
訂購熱線:
15251536295
15251536295

一、YX80-200-600開口樓承板應用
產品廣泛用于電廠、電力設備公司、汽車展廳、鋼結構廠房、水泥庫房、鋼結構辦公室、機場候機樓、火車站、體育場館、音樂廳、大劇院、大型超市、物流中心、奧運場館體育場館等鋼結構建筑。
適應主體鋼結構快速施工的要求,能夠在短時間內提供堅定的功課平臺,并可采用多個樓層鋪設壓型鋼板,分層澆筑混凝土板的流水施工。
二、YX80-200-600開口樓承板主要特點
開口式樓承板,也稱作凹凸壓型鋼板,W型樓承板,U型樓承板。開口式樓承板按波高大致分為51和76這二種。
上一個:YX76-344-688開口樓承板
下一個:YX51-246-720開口樓承板
跟此產品相關的產品 / Related Products
聯系海逵Contact Us
服務熱線:15251536295
17766149999
17766149999
電話:15251536295
傳真:15251536295
QQ:1327159921
地址:無錫市錫山區東湖塘錫港東路35號


